服务热线
86-0536-2222845
PROUCTS LIST
浮漂式水质监测系统-一款数据精准的多参数水质监测设备2025【推荐型号:WX-SFA04,山东万象环境提供定制化气象及环境监测设备,服务覆盖多领域,助力各行业监测】
设备采用低功耗设计,搭配太阳能 + 蓄电池双供电方案,在确保 24 小时连续运行的同时,大幅降低能源消耗。例如在光照充足的湖泊区域,太阳能板可满足设备日常供电需求,阴雨天依靠蓄电池仍能维持 7-10 天稳定运行,无需频繁更换电池或人工充电。此外,系统具备远程运维功能:工作人员通过监管平台可实时查看设备运行状态(如传感器是否正常、电池电量是否充足),若传感器出现故障或需要校准,可远程指导现场人员维护,减少 “每次维护需乘船前往浮标" 的成本。对比传统人工监测 “每次采样需租用船只、投入 3-5 人" 的高成本,浮标式系统每年运维成本可降低 60% 以上。

一、产品简介
1.水质浮漂监测站SFA集数据采集、存储、传输和管理于一体的无人值守的采集系统。它在工农业生产、旅游、城市环境监测、地质灾害、防洪、供水调度、电站水库水情管理等为目的水文自动测报系统;功能强大的上位机软件可远程观测实时水雨情信息,具有数据库、报表、下载等功能,用户还可利用该功能完善的气象软件对记录的数据作进一步的处理分析。
2.SFA04款浮标是由水质传感器(水温、电导率、PH、溶解氧)、数据采集仪、通讯系统、供电系统、整体 支架、水质监测平台六部分组成。同时可扩展氨氮、 浊度、COD等多项水质要素。数据采集仪具有数 据采集、实时时钟、数据定时存储、参数设定和标准2G/4G(GPRS)通信功能。
二、产品特点
1.易部署:各类型探头进行高度集成,安装方便;提供免费云平台服务,系统快速上线;
2.易维护:设备安装后,自行工作即可,无需人工值守,也可以通过远程监控的方式保障设备的正常运行;
3.易扩展:传感器探头均使用统一的通信协议,可以快速对接原设备,快速扩展监测参数;
4.低功耗:设备可以实现低功耗状态下,长时间运行,增加设备使用的便利性;
5.实时性:设备监测到的数据实时传输至云平台,提升环境数据反馈的及时性。
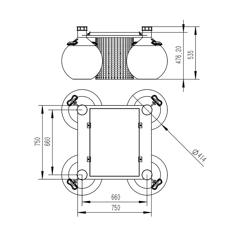
四、产品尺寸图

五、设备安装要求
1.远离大功率无线电发射源
2.远离高压输电线和微波无线电传送通道
3.尽量靠近数据传输网络
4.远离强电磁干扰
六、云平台介绍
1.CS架构软件平台,支持手机、PC浏览器直接观测.无需额外安装软件。
2.支持多帐号、多设备登录
3.支持实时数据展示与历史数据展示仪表板
4.云服务器.云数据存储,稳定可靠,易于扩展,负载均衡。
5.支持短信报警及阈值设置
6.支持地图显示、查看设备信息。
7.支持数据曲线分析
8.支持数据导出表格形式
9.支持数据转发,HJ-212协议,TCP转发,http协议等。
10.支持数据后处理功能
11.支持外置运行javascript脚本