服务热线
86-0536-2222845
PROUCTS LIST
水质多参数监测系统-一款科学决策的水质快速监测设备2025【推荐型号:WX-SFA04,山东万象环境提供定制化气象及环境监测设备,服务覆盖多领域,助力各行业监测】
系统搭载高精度水质传感器与智能数据处理算法,确保监测数据精准有效。传感器经过严苛校准,能准确识别水质细微变化(如浊度从 5NTU 升至 10NTU),避免传统人工采样 “操作误差"“实验室分析偏差" 等问题;数据处理算法可自动过滤干扰信号(如水流冲击导致的瞬时数据波动),生成稳定的水质变化曲线。例如在湖泊富营养化监测中,系统可精准记录叶绿素 a 含量变化,分析藻类生长趋势,为环保部门制定 “控藻治水" 方案提供科学依据;历史数据可长期存储(支持 1 年以上),方便工作人员分析水质变化规律(如 “每年雨季过后河流浊度升高"),助力制定长期水质改善计划,真正实现 “以精准数据支撑科学治水"。

一、产品简介
1.水质浮漂监测站SFA集数据采集、存储、传输和管理于一体的无人值守的采集系统。它在工农业生产、旅游、城市环境监测、地质灾害、防洪、供水调度、电站水库水情管理等为目的水文自动测报系统;功能强大的上位机软件可远程观测实时水雨情信息,具有数据库、报表、下载等功能,用户还可利用该功能完善的气象软件对记录的数据作进一步的处理分析。
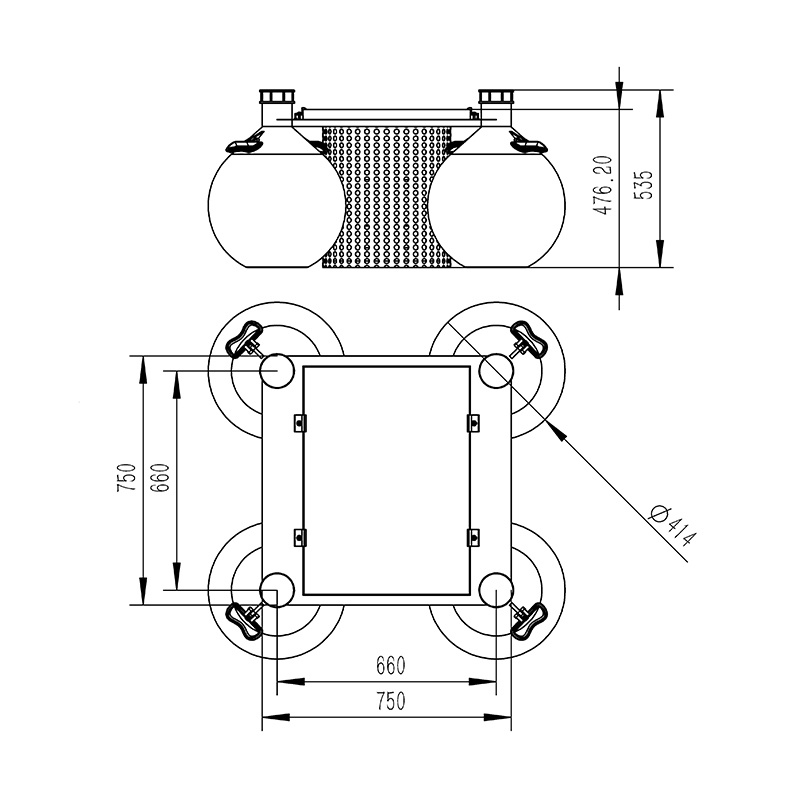
2.SFA04款浮标是由水质传感器(水温、电导率、PH、溶解氧)、数据采集仪、通讯系统、供电系统、整体 支架、水质监测平台六部分组成。同时可扩展氨氮、 浊度、COD等多项水质要素。数据采集仪具有数 据采集、实时时钟、数据定时存储、参数设定和标准2G/4G(GPRS)通信功能。
二、产品特点
1.易部署:各类型探头进行高度集成,安装方便;提供免费云平台服务,系统快速上线;
2.易维护:设备安装后,自行工作即可,无需人工值守,也可以通过远程监控的方式保障设备的正常运行;
3.易扩展:传感器探头均使用统一的通信协议,可以快速对接原设备,快速扩展监测参数;
4.低功耗:设备可以实现低功耗状态下,长时间运行,增加设备使用的便利性;
5.实时性:设备监测到的数据实时传输至云平台,提升环境数据反馈的及时性。
四、产品尺寸图

五、设备安装要求
1.远离大功率无线电发射源
2.远离高压输电线和微波无线电传送通道
3.尽量靠近数据传输网络
4.远离强电磁干扰
六、云平台介绍
1.CS架构软件平台,支持手机、PC浏览器直接观测.无需额外安装软件。
2.支持多帐号、多设备登录
3.支持实时数据展示与历史数据展示仪表板
4.云服务器.云数据存储,稳定可靠,易于扩展,负载均衡。
5.支持短信报警及阈值设置
6.支持地图显示、查看设备信息。
7.支持数据曲线分析
8.支持数据导出表格形式
9.支持数据转发,HJ-212协议,TCP转发,http协议等。
10.支持数据后处理功能
11.支持外置运行javascript脚本